Les anciennes tarifications du fournisseur historique ont disparu et l'ouverture du marché de l'électricité permet de proposer des tarifications diversifiées.
Il faut pour cela consulter chaque fournisseur et demander un tarif en fonction de votre installation. Les entreprises peuvent choisir en fonction du besoin et du bilan de puissance, une livraison basse tension ou bien directement une livraison haute tension.


La livraison se décompose en trois types :
- L'alimentation en antenne (ou simple dérivation).
- L'alimentation en coupure d'artère (ou coupure de boucle)
- L'alimentation en double dérivation.
IMPORTANT :
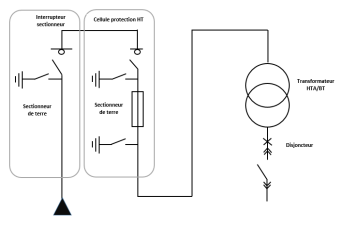
Les cellules haute tension appartenant au fournisseur d'énergie sont verrouillées par cadenas. Toutefois, dans le cas exceptionnel ou ce cadenas ne soit pas présent, il est impératif d'identifier ces cellules et ne jamais les manipuler. Leur manipulation accidentelle se ferait probablement en charge. Dans le cas de coupure d'artère ou de double dérivation, l'action sur de telles cellules aurait une incidence sur d'autres entreprises. On peut même se retrouver avec une mise à la terre et en court-circuit qui risque de provoquer des incidents graves sur le réseau de distribution publique.
REPONSES
Comment appelle ton le type d'alimentation ou l'installation cliente est terminale ?
- Antenne
Dans quels cas existe-t-il une seule ligne d'alimentation sur un réseau de distribution HT ?
- Antenne
- Coupure d'artère
Dans quels cas existe-t-il une double d'alimentation sur un réseau de distribution HT ?
- Double dérivation
Dans quels cas peut ton manipuler les cellules du distributeur d'énergie HT ?
- Aucun
Est-il possible de demander au distributeur d'énergie de consigner une partir du réseau ?
- Oui
COMPREHENSION
Comment appelle ton le type d'alimentation ou l'installation cliente est terminale ?
- Antenne
- Coupure d'artère
- Double dérivation
Dans quels cas existe-t-il une seule ligne d'alimentation sur un réseau de distribution HT ?
- Antenne
- Coupure d'artère
- Double dérivation
Dans quels cas existe-t-il une double d'alimentation sur un réseau de distribution HT ?
- Aucun
- Antenne
- Coupure d'artère
- Double dérivation
Dans quels cas peut ton manipuler les cellules du distributeur d'énergie HT ?
- Aucun
- Antenne
- Coupure d'artère
- Double dérivation
Est-il possible de demander au distributeur d'énergie de consigner une partir du réseau ?
- Oui
- Non
- Double dérivation
CE QU'IL FAUT RETENIR :
Il faut impérativement identifier chacun des éléments d'un ouvrage ou installation haute tension en prenant soin de bien distinguer les cellules du distributeur d'énergie du matériel de l'installation privée. Généralement le matériel du distributeur d'énergie est composé d'interrupteurs sectionneur sans protection fusible munies de cadenas.
Tel : 04 42 92 86 31
email elearning@acfitec.fr


Il s'agit d'une installation en fin de ligne, on parle d'installation terminale.
La puissance souscrite s'exprime en VA (Volt Ampère) ou kVA. Il s'agit de la puissance apparente que l'on pourrait désigner comme étant la puissance qui n'a pas encore été consommée.
Lorsque la puissance est consommée, on retrouve alors :
- La puissance active en Wh ou KWh
- La puissance réactive en VARh (Volt Ampère réactif heure) ou kVARh
La puissance active est la puissance réellement utile pour faire fonctionner les moteurs, les éclairages, chauffages et climatisations.
La puissance réactive est une puissance perdue à cause principalement des bobines des moteurs.
L'installation cliente est connectée sur une portion du réseau de distribution haute tension. Il y a une cellule d'arrivée haute tension provenant du réseau et une poursuite de l'alimentation sur le réseau de distribution. Cette solution est très répandue.




L'installation cliente est alimentée par deux arrivées haute tension. En cas de coupure d'une des alimentations, il y a une bascule possible vers la deuxième alimentation.